Магазин запчастей для бытовой техники - Arlos
Москва
close
Выберите ваш регион
АбаканАлександровАльметьевскАнгарскАрзамасАрмавирАртемАрхангельскАстраханьАчинскБалаковоБалашихаБеларусьБелгородБердскБерезникиБийскБлаговещенскБратскБрянскВеликий НовгородВидноеВладивостокВладикавказВладимирВолгоградВолгодонскВолжскийВологдаВолховВоркутаВоронежВоскресенскВыборгГатчинаГеленджикГрозныйДедовскДербентДзержинскДзержинскийДимитровградДмитровДолгопрудныйДомодедовоДонецкЕвпаторияЕгорьевскЕкатеринбургЕлецЕссентукиЖелезногорскЖелезнодорожныйЖуковскийЗеленоградЗлатоустИвановоИвантеевкаИжевскИркутскИстраЙошкар-ОлаКазаньКалининградКалугаКаменск-УральскийКамышинКаспийскКемеровоКерчьКировКисловодскКлинКовровКоломнаКомсомольск-на-АмуреКопейскКоролёвКостромаКотельникиКрасногорскКраснодарКраснознаменскКрасноярскКурганКурскКызылЛенинск-КузнецкийЛипецкЛобняЛыткариноЛюберцыМагнитогорскМайкопМалаховкаМахачкалаМиассМоскваМурманскМуромМытищиНабережные ЧелныНазраньНальчикНаро-ФоминскНахабиноНаходкаНевинномысскНефтекамскНефтеюганскНижневартовскНижнекамскНижний НовгородНижний ТагилНовокузнецкНовокуйбышевскНовомосковскНовороссийскНовосибирскНовоуральскНовочебоксарскНовочеркасскНовошахтинскНовый УренгойНогинскНорильскНоябрьскОбнинскОдинцовоОктябрьскийОмскОрелОренбургОрехово-ЗуевоОрскПавловский ПосадПензаПервоуральскПермьПетрозаводскПетропавловск-КамчатскийПодольскПрокопьевскПсковПушкиноПятигорскРаменскоеРеутовРостов-на-ДонуРубцовскРыбинскРязаньСакиСалаватСамараСанкт-ПетербургСаранскСаратовСевастопольСеверодвинскСеверскСергиев ПосадСерпуховСимферопольСмоленскСосновый БорСочиСтавропольСтарый ОсколСтерлитамакСтупиноСургутСызраньСыктывкарТаганрогТамбовТверьТихвинТольяттиТомилиноТомскТроицкТулаТюменьУлан-УдэУльяновскУссурийскУсть-ИлимскУфаУхтаФеодосияФрязиноХабаровскХанты-МансийскХасавюртХимкиЧебоксарыЧелябинскЧереповецЧеркесскЧеховЧитаШахтыЩелковоЭлектростальЭлистаЭнгельсЮжно-СахалинскЯкутскЯлтаЯрославль
  • - бесплатно по РФ
    Автоперезвон. Работает по принципу: Вы позвонили на номер, мы сбрасываем звонок и перезваниваем через 3 секунды.
  • - по Москве
  • 8 (925) 663-83-63

Call-центр

пн-вс: 10:00-19:00

Станки шлифовально-полировальные ППС-250

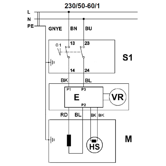
Данная модель имеет несколько схем

NАртикулНазваниеСрок отгрузкиЦенаКупить
1 N000-030-253 Проставка
2 N000-030-254 Втулка
3 N000-030-255 Опора двигателя
4 N000-030-256 Крышка щеткодержателя D12x5.5 129 р.
5 N000-030-228 Щетка графитовая (пара) 5х8х12 в сборе с гильзой 331 р.
6 N000-030-229 Щеткодержатель (пара)
7 N000-030-257 Двигатель в сборе КД DC220V
7.1 N000-030-258 Ротор КДС 3.544 р.
9 N000-030-259 Пружина
10 N000-030-260 Винт барашек M6
12 V000-003-419 Выключатель 16(4)A 250V 10E3 T125/55 496 р.
13 N000-030-261 Корпус блока управления
14 N000-030-262 Крышка управляющего блока
15 N000-030-263 Ручка регулятора оборотов
16 N000-030-264 Регулятор оборотов
17 N000-030-265 Гайка барашек M12
19 N000-030-267 Прижим полировального колеса
21 N000-007-099 Гайка
22 N000-018-599 Шайба D12
23 N000-030-269 Колесо приводное
25 N000-030-271 Крышка подшипника
26 N000-030-272 Втулка скольжения
27 N000-030-273 Шпилька
28 N000-030-274 Крышка левая
29 N000-030-275 Ось привода
30 N000-030-276 Винт барашек 135 р.
31 N000-030-277 Рукоятка
33 N000-030-278 Опора вертикальная
34 N000-030-279 Винт заземления
35 N000-030-280 Опора горизонтальная 531 р.
36 N000-030-281 Корпус
37 N000-030-282 Гайка вертикальной опоры
38 N000-030-283 Крышка правая 6.784 р.
39 N000-030-284 Защита от воды
40 N000-026-855 Винт M5х6
42 N000-030-285 Втулка для провода
43 ППС-016 Точильный круг d250 х 50 х d12 мм
45 N000-022-042 Гайка M12
46 N000-030-287 Емкость для СОЖ
47 ППС-022 Угломер для определения угла заточки
48 N000-030-289 Держатель магнитный
49 N000-030-290 Опора резиновая
50 N000-030-291 Винт регулировки момента
52 N000-030-293 Ящик
53 V000-004-427 Плата электронная регулятор оборотов 1.981 р.
54 ППС-017 Брусок для очистки шлифовального круга
55 ППС-003 Приспособление для доводки столярного инструмента и ножей
56 ППС-019 Угловой калибр для выставления угла заточки
57 ППС-010 Полировальная паста для кожаного круга
Найдено товаров: 49
1
▲ Наверх
0
8 (925) 663-83-63

Call-центр

пн-вс: 10:00-19:00

НАЙТИ ПО МОДЕЛИ
Введите номер заказа
Введите номер своего заказа, что бы узнать его текущий статус.
Что бы получить доступ к расширенным функциям, пройдите не сложную регистрацию. Зарегистрироваться