Магазин запчастей для бытовой техники - Arlos
Москва
close
Выберите ваш регион
АбаканАлександровАльметьевскАнгарскАрзамасАрмавирАртемАрхангельскАстраханьАчинскБалаковоБалашихаБеларусьБелгородБердскБерезникиБийскБлаговещенскБратскБрянскВеликий НовгородВидноеВладивостокВладикавказВладимирВолгоградВолгодонскВолжскийВологдаВолховВоркутаВоронежВоскресенскВыборгГатчинаГеленджикГрозныйДедовскДербентДзержинскДзержинскийДимитровградДмитровДолгопрудныйДомодедовоДонецкЕвпаторияЕгорьевскЕкатеринбургЕлецЕссентукиЖелезногорскЖелезнодорожныйЖуковскийЗеленоградЗлатоустИвановоИвантеевкаИжевскИркутскИстраЙошкар-ОлаКазаньКалининградКалугаКаменск-УральскийКамышинКаспийскКемеровоКерчьКировКисловодскКлинКовровКоломнаКомсомольск-на-АмуреКопейскКоролёвКостромаКотельникиКрасногорскКраснодарКраснознаменскКрасноярскКурганКурскКызылЛенинск-КузнецкийЛипецкЛобняЛыткариноЛюберцыМагнитогорскМайкопМалаховкаМахачкалаМиассМоскваМурманскМуромМытищиНабережные ЧелныНазраньНальчикНаро-ФоминскНахабиноНаходкаНевинномысскНефтекамскНефтеюганскНижневартовскНижнекамскНижний НовгородНижний ТагилНовокузнецкНовокуйбышевскНовомосковскНовороссийскНовосибирскНовоуральскНовочебоксарскНовочеркасскНовошахтинскНовый УренгойНогинскНорильскНоябрьскОбнинскОдинцовоОктябрьскийОмскОрелОренбургОрехово-ЗуевоОрскПавловский ПосадПензаПервоуральскПермьПетрозаводскПетропавловск-КамчатскийПодольскПрокопьевскПсковПушкиноПятигорскРаменскоеРеутовРостов-на-ДонуРубцовскРыбинскРязаньСакиСалаватСамараСанкт-ПетербургСаранскСаратовСевастопольСеверодвинскСеверскСергиев ПосадСерпуховСимферопольСмоленскСосновый БорСочиСтавропольСтарый ОсколСтерлитамакСтупиноСургутСызраньСыктывкарТаганрогТамбовТверьТихвинТольяттиТомилиноТомскТроицкТулаТюменьУлан-УдэУльяновскУссурийскУсть-ИлимскУфаУхтаФеодосияФрязиноХабаровскХанты-МансийскХасавюртХимкиЧебоксарыЧелябинскЧереповецЧеркесскЧеховЧитаШахтыЩелковоЭлектростальЭлистаЭнгельсЮжно-СахалинскЯкутскЯлтаЯрославль
  • - бесплатно по РФ
    Автоперезвон. Работает по принципу: Вы позвонили на номер, мы сбрасываем звонок и перезваниваем через 3 секунды.
  • - по Москве
  • 8 (925) 663-83-63

Call-центр

пн-вс: 10:00-19:00

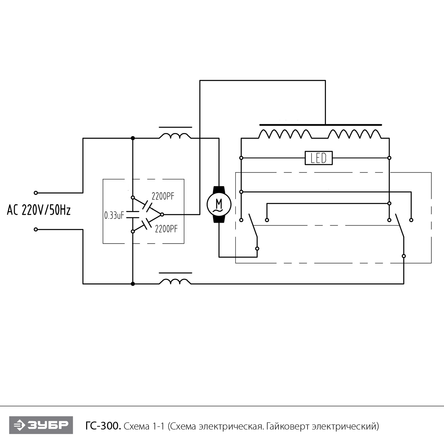
Ударный гайковерт электрический ГС-300

Данная модель имеет несколько схем

NАртикулНазваниеСрок отгрузкиЦенаКупить
T13 U009-609-RS0 Подшипник шариковый (24х9х7) U009-609-RS0 189 р.
1 N000-009-170 Головка 12.7-24mm 2.905 р.
2 N000-009-171 Штифт 3х26 2.905 р.
3 N000-009-172 Кольцо уплотнительное 22х3.1 2.905 р.
4 N000-030-796 Корпус редуктора 2.420 р.
5 N000-030-797 Прокладка
6 N000-009-175 Втулка 376 р.
7 N000-009-176 Шайба вала стальная D10 35 р.
8 N000-009-177 Кольцо резиновое 97 р.
9 N000-009-178 Вал под квадрат N000-009-178 для ГС-300, ГС-300 К, ЗГУЭ-350 1.282 р.
10 N000-009-179 Ударник 577 р.
11 N000-009-180 Пружина 189 р.
12 N000-009-182 Шарик стальной D6.35 164 р.
13 N000-009-183 Шпиндель 383 р.
14 N000-009-184 Эпицикл 499 р.
15 N000-009-185 Штифт D3х12
16 N000-009-186-2 Шестерня z=24 353 р.
17 N000-009-188 Штифт D6х16 59 р.
18 N000-009-189 Подшипник 16003-2RS 529 р.
19 N000-030-798 Промщит 723 р.
21 N000-009-192 Ротор КД N000-009-192 для гайковертов ГС-300, ГС-300 К, ЗГУЭ-350 1.856 р.
22 N000-009-193 Подшипник шариковый 627-2RS (22х7х7) Outdo 250 р.
23 N000-009-194 Демпфер
24 N000-009-195 Направляющая воздушная 3.390 р.
25 N000-009-196 Саморез ST4.2x55-F
26 N000-009-197 Статор КДС 1.668 р.
27 V000-000-695-2 Выключатель FD2-12/2 12(10)A 250V 868 р.
27 V000-000-695 Выключатель V000-000-695 250V для гайковёртов ГС-300, ЗГУЭ-350 860 р.
28 N000-030-799 Крышка рукоятки
29 N000-030-800 Плата электронная подсветки
31 N000-009-199 Саморез ST4.2x14-T
32 N000-009-200 Прижим шнура
33 N000-030-802 Воротник шнура 111 р.
34 V000-000-696 Кабель сетевой 198 р.
35 V000-000-697 Конденсатор
36 N000-009-202 Клемная колодка
37 N000-030-803 Корпус 1.062 р.
39 N000-009-208 Винт M5х60
40 N000-009-209 Щеткодержатель 189 р.
41 N000-009-210 Щетка графитовая (пара) 5х8х11.5 N000-009-210 для ГС-300, ГС-300 К, ЗГУЭ-350 167 р.
42 N000-030-804 Крышка щеткодержателя (пара) D12 152 р.
43 N000-009-214 Винт M5х8
44 N000-030-805 Корпус задняя часть 1.159 р.
Найдено товаров: 43
1
▲ Наверх
0
8 (925) 663-83-63

Call-центр

пн-вс: 10:00-19:00

НАЙТИ ПО МОДЕЛИ
Введите номер заказа
Введите номер своего заказа, что бы узнать его текущий статус.
Что бы получить доступ к расширенным функциям, пройдите не сложную регистрацию. Зарегистрироваться